บริการของเรา
หน้าแรก > บริการของเรา

บริษัทมีความเชี่ยวชาญในการผลิต และจำหน่ายสินค้าประเภทผลิตภัณฑ์ยางชนิดต่างๆ ได้แก่ :

 

                                                                             
                                                                                    ยางขอบกระจกชนิดต่างๆ

 

นอกจากผลิตภัณฑ์ยางสำเร็จรูป ที่ทางบริษัทได้ทำการผลิตแล้ว ทางบริษัทยังรับผลิตสินค้าตามแบบและความต้องการ ของลูกค้า โดยผลิตเป็นชิ้นงานสำเร็จรูป หรือเป็นชิ้นส่วนยางชนิดต่างๆ ที่นำมาผลิต ได้แก่ NR, BR, NBR, SBR, EPDM, SILICONE, CR, ETC.

 

 

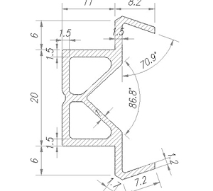
แบบงานดรออิ้ง (Drawing)

บริษัทฯ ผลิตชิ้นงานตามแบบงานดรออิ้ง (Drawing) เพื่อคำนึงถึงคุณภาพและความถูกต้องของชิ้นงานเป็นสำคัญ